企业资质

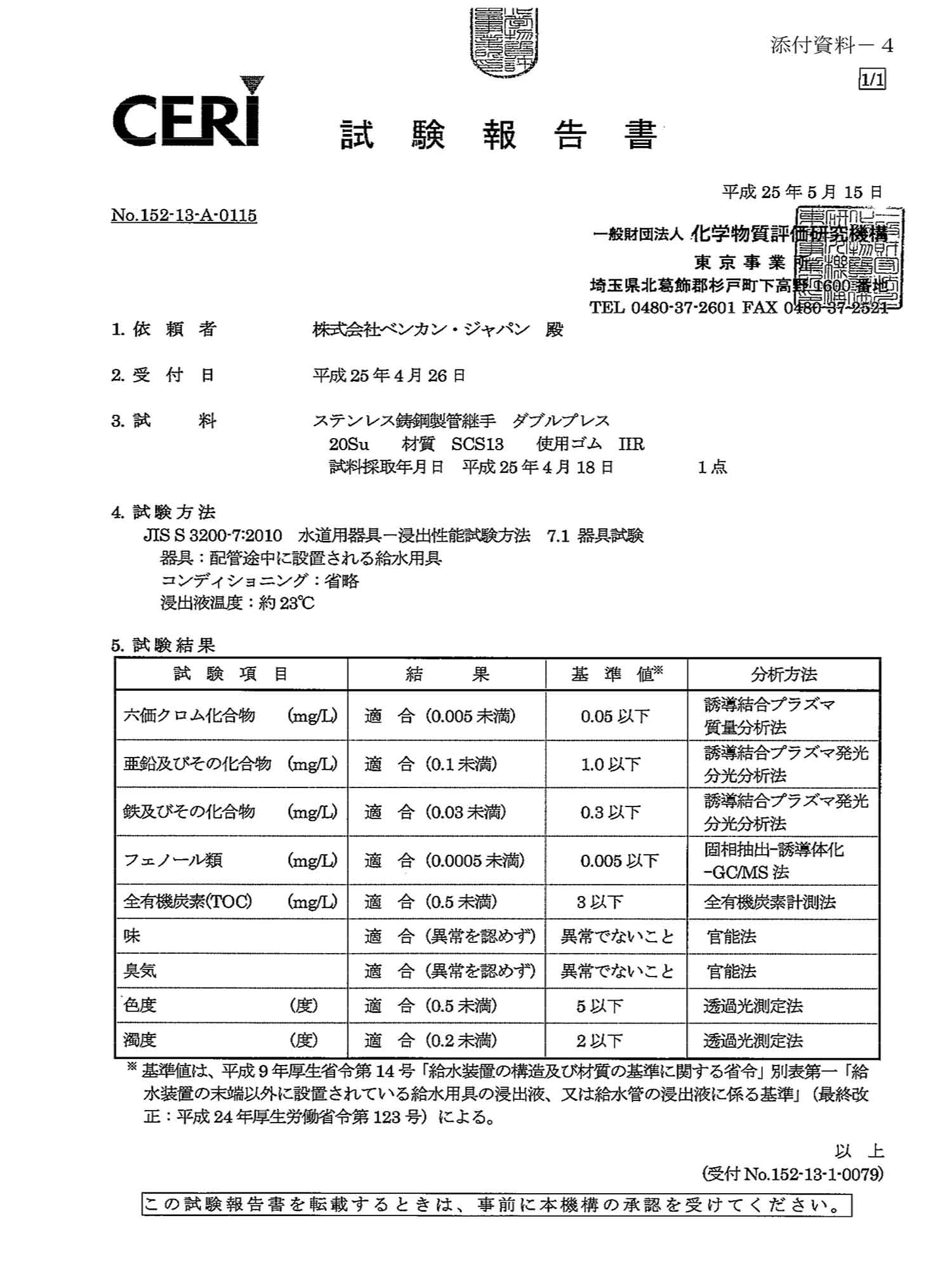
不锈钢材质浸出性能测试书